您当前的位置: 首页 > 国土业务 > 土地征收信息

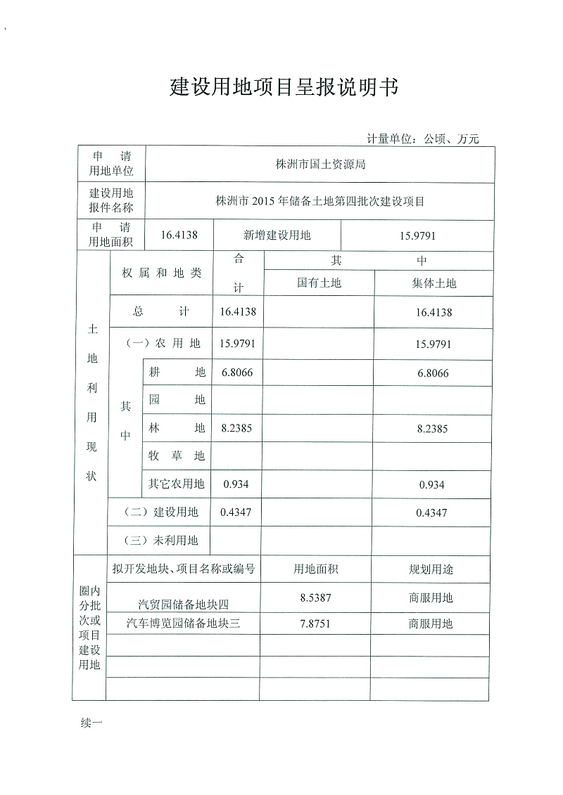
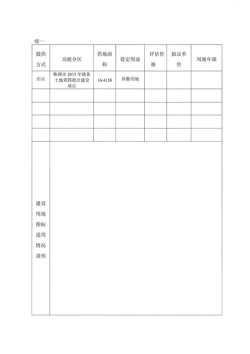
株洲市2015年储备土地第四批次建设用地(一书四方案)

  时间:2015-07-31

 

责任编辑: